つらつらとMAZDA
id:taku2_4885
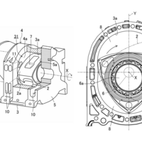
マツダのロータリーエンジンに関する新たな特許出願が公開、駆動用2ローターだけでなく発電用1ローターを"縦置き"した内容も。
(画像 IP Force.jp) 発電用として約10年ぶりに復活したマツダのロータリーエンジンですが、今週新たにロータリーエンジン関連の特許出願が公開されています。