SHIROのIchigoJam日記
id:shiro0922
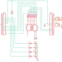
野球盤7Seg
「野球盤」の7セグメントバージョンを作りました。数字が表示できるので、イニングやスコアの管理もIchigoJamがやります(^_^) プレイ動画はこちら。撮影のためにテストプレイしたら壮絶な試合になりました…。動画が15分あるので注意してください。 ちなみに動画の試合のスコアボードはこんな感じです。延長12回の大熱戦で…