SHIROのIchigoJam日記
id:shiro0922
ハンドスピナーJam
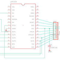
先日、ながの電気クラブ主催の光るハンドスピナー工作教室を見学に行ってきました。 中国製のハンドスピナーキットを工作していたのですが、なかなか面白かったので、IchigoJamとLEDをのせたハンドスピナー基板を作ってみました。 動画はこちら。 【IchigoJam】ハンドスピナーJam※(10/31)基板を新バージョンに更新 ビデオ…