shangtian’s blog
id:shangtian
Arduino でアノードコモン7セグメントLEDを使ってみた
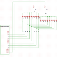
はじめに 使ったもの データシート 回路設計 スケッチ 結果 <参考文献> はじめに aitendoで安売りしていたLEDセグメントを使ってみた 使ったもの ArduinoUno 2桁表示7セグメントLEDアノードコモン 22Ω抵抗 2個 データシート 7セグメントLEDピンナンバー 数字を表示するにはA~Gを 組み合わせて表示させる 下の表は0~9まで…